Features
◇ Corresponding to the thread of suction cup, a variety of connection are available.
Applications
◇ Small size and light spring, suitable for electronics industry.
| How to order | |||
| PSPF - E 6 L B6 M5F -M14 ① ② ③ ④ ⑤ ⑥ ⑦ | |||
| ① Series | ② Buffer style | ③ Buffer stroke | ④ Vacuum circuit |
| PSPF | E - External spring | 4 6 10 15 30 | Nil- Vertical rotating L - Lateral rotating |
| ⑤ Vacuum port connection | ⑥ Suction cup connection | ⑦ Mounting thread | |
| B6 - - Pagoda fitting φ6 hose R1 - Rc1/8Tapered thread | M5F- M5 Female thread M8F - M8 Female thread M10M - M10×1.25 Male thread | M16 - M16×1.5 M14 - M14×1 M11 - M11×1 | |
◇ Note: Suction cup connection thread refers to the thread connecting to the fitting for suction cup.
Mounting thread refers to the thread installing to the external bracket.
| Selection | ||||
| Model | Buffer stroke | Connection thread | ||
| PSPF-E | 4 | 10 | B6M5F | LB6M5F |
| 6 | 15 | B6M5F | LB6M5F | |
| 6 | 15 | B6M8F | LB6M8F | |
| 10 | 30 | - | LR1M10M | |

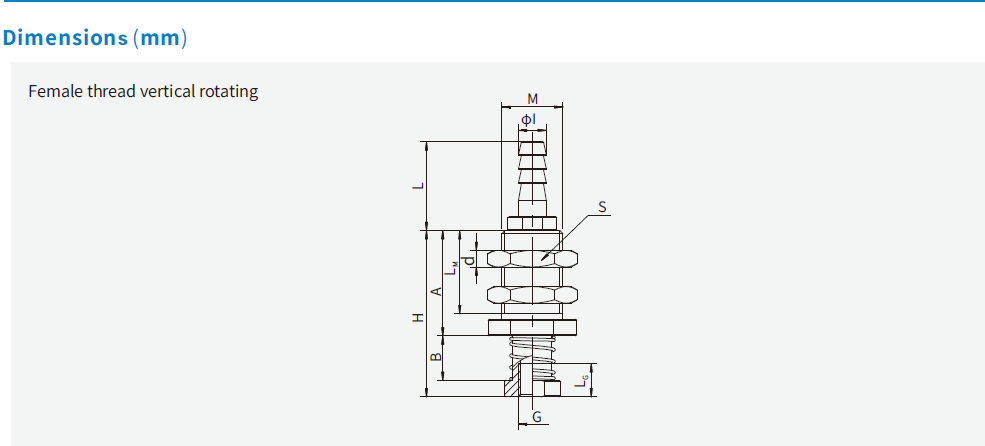
| Model | H | G | LG | M | LM | A | B | L | d | S | I | Buffer stroke |
| PSPF-E4B6M5F-M11 | 30 | M5 | 6 | M11×1 | 15 | 19 | 8 | 16 | 3 | 14 | 5 | 4 |
| PSPF-E10B6M5F-M11 | 42 | M5 | 6 | M11×1 | 15 | 19 | 20 | 16 | 3 | 14 | 5 | 10 |
| PSPF-E6B6M5F-M14 | 40 | M5 | 6 | M14×1 | 19 | 24 | 13 | 17 | 4 | 17 | 5 | 6 |
| PSPF-E15B6M5F-M14 | 57 | M5 | 6 | M14×1 | 19 | 24 | 30 | 17 | 4 | 17 | 5 | 15 |
| PSPF-E6B6M8F-M14 | 40 | M8 | 8 | M14×1 | 19 | 24 | 13 | 17 | 4 | 17 | 5 | 6 |
| PSPF-E15B6M8F-M14 | 57 | M8 | 8 | M14×1 | 19 | 24 | 30 | 17 | 4 | 17 | 5 | 15 |

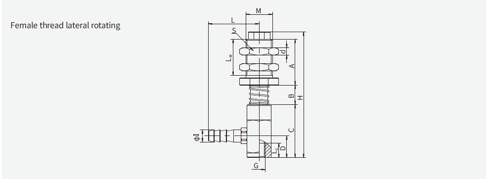
| Model | H | G | LG | M | LM | A | B | C | D | L | d | S | I | Buffer stroke |
| PSPF-E4LB6M5F-M11 | 52 | M5 | 6 | M11×1 | 15 | 19 | 8 | 22 | 9 | 21 | 3 | 14 | 5 | 4 |
| PSPF-E10LB6M5F-M11 | 64 | M5 | 6 | M11×1 | 15 | 19 | 20 | 22 | 9 | 21 | 3 | 14 | 5 | 10 |
| PSPF-E6LB6M5F-M14 | 73 | M5 | 6 | M14×1 | 19 | 24 | 13 | 32 | 12 | 23 | 4 | 17 | 5 | 6 |
| PSPF-E15LB6M5F-M14 | 90 | M5 | 6 | M14×1 | 19 | 24 | 30 | 32 | 12 | 23 | 4 | 17 | 5 | 15 |
| PSPF-E6LB6M8F-M14 | 73 | M8 | 8 | M14×1 | 19 | 24 | 13 | 32 | 12 | 23 | 4 | 17 | 5 | 6 |
| PSPF-E15LB6M8F-M14 | 90 | M8 | 8 | M14×1 | 19 | 24 | 30 | 32 | 12 | 23 | 4 | 17 | 5 | 15 |

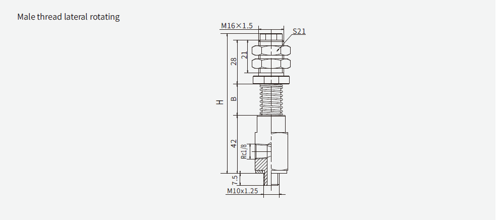
| Model | H | B | Buffer stroke |
| PSPF-E10LR1M10M-M16 | 94 | 20 | 10 |
| PSPF-E30LR1M10M-M16 | 134 | 60 | 30 |